Vážení zákazníci,
jsme rádi, že se design modulárních videotelefonů Hikvision v IP variantě setkal s příznivým přijetím jak u instalačních firem, tak i u koncových uživatelů. Síťové videotelefony jsou ale vhodné spíše pro nové instalace nebo tam, kde je možné bez větších problémů natáhnout UTP kabel.
Jak jistě z vlastních zkušeností víte, v českém prostředí jsou velmi rozšířené audiotelefony, které jsou poměrně nenáročné na kabeláž. Při výměně se tak můžete setkat s nejrůznějšími druhy drátů a drátků. Právě pro tyto instalace doplnil Hikvision do nabídky také dvoudrátové videotelefony, kterým stačí pro spolehlivý provoz například obyčejná dvojlinka. Další detaily se dozvíte v článku níže.
Dvoudrátové videotelefony Hikvision (2. generace - modulární)
1) Topologie systému
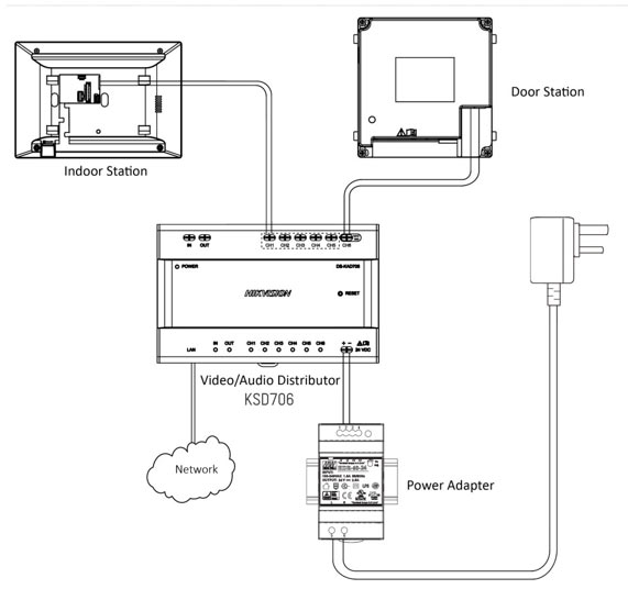
Srdcem celého systému je distributor, který se stará o distribuci napájení ze zdroje a propojuje jednotky videotelefonu pomocí dvou drátů a následně se stará o převod komunikace do počítačové sítě.

Délky kabeláže

Pozn.: Je doporučeno zdvojení vodičů.
2) Napájecí distributor
Existují dva druhy distributorů. Ten se kterým se setkáte nejčastěji, má označení DS-KAD706. Jedná se o model, který má na starosti distribuci napájení ze zdroje DS-KAW60-2N (230 V / 24 VDC) dále do jednotek videotelefonu. Jeho jmenovce s označením DS-KAD706-S využijete jako rozbočovač, pokud potřebujete vytvořit systém s větším množstvím videotelefonů, na které už nestačí jeden aktivní distributor.

3) Design, modulární systém
Hikvision se i u dvoudrátových videotelefonů přidržel osvědčeného a moderního designu monitoru DS-KH6320-WTE2, (stejný jako u IP videotelefonů) a modulárního systému venkovních jednotek, který je dostupný v zápustné i povrchové variantě. Nejvíce je možno umístit tři moduly do jednoho rámečku. Máte tak možnost vytvořit vizuálně stejné systémy ve dvoudrátové i IP variantě.

Pozn: Všimněte si, že monitor a kamerový modul dvoudrátových videotelefonů mají na konci názvu číslo 2 tím se označení odlišuje od IP videotelefonů (označení 1).
4) Kamerová jednotka a sub-moduly
Základ venkovní dveřní jednotky tvoří kamerový modul DS-KD8003-IME2 s rozlišením 1080p, WDR a velmi širokým záběrem, který je možné kombinovat až s 8 dalšími sub-moduly.

Upozornění: Pro el. zámek (otevírač) je nutné mít samostatné napájení.
Přehled sub-modulů
DS-KD-KK – Zvonky (jmenovky)
- 6 podsvětlených jmenovek s tlačítkem

DS-KD-KP – Klávesnice (Pinpad)
- pro zadání přístupového kódu (pinu) nebo vytočení čísla rezidenta

DS-KD-M– čtečka karet a čipů Mifare (13.56 MHz)

DS-KD-E – čtečka karet a čipů EM Marin (125 kHz)

DS-KD-IN – Indikátor stavů
- Stav konverzace, volání, dveří

DS-KD-BK – Záslepný
- Prázdný modul pro čtečky třetích stran nebo skrytí jiné elektroniky

DS-KD-DIS – LCD displej
- Modul 3,5" LCD displeje pro zobrazení rezidentů
DS-KD-INFO – Infromační tablo
- Podsvícený informační modul pro vložení jmenovek nebo instrukcí, aktivace jasu podle okolního osvětlení

5) Připojení do počítačové sítě a mobilní aplikace
Jednou z výhod dvoudrátového videotelefonu Hikvision je to, že po připojení distributoru přes LAN port do switche se systém tváří jako standardní IP zařízení, takže jej můžete nalézt přes SADP tool nebo konfigurovat přes IVMS-4200. Umožňuje to také připojení do cloudu Hik-connect (EZVIZ), který zajistí přesměrování hovorů na mobilní telefon, což u většiny dvoudrátových videotelefonů od konkurenčních výrobců není standardem.



