(Archiv) MNT-AD-POLE-B
= KOD:309912 PKOD:14340 =Manufacturer: Avigilon Corporation Canada
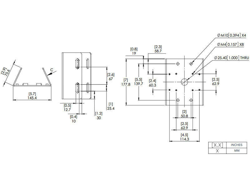
Adaptér pro montáž na sloup pro panoramatické kamery
Technical list
| Kompatibilita | MNT-PEND-WALL |
| Parametry sloupu | Pro průměr sloupu 152,4 – 508 mm |
| Hmotnost | 0,48 kg |
| Prostředí | Venkovní |
| Barva | RAL 9003 |
Query / Inquiry
Dear customer
if you need advice please use our web form or call us. The phone number is: 272 770 148






