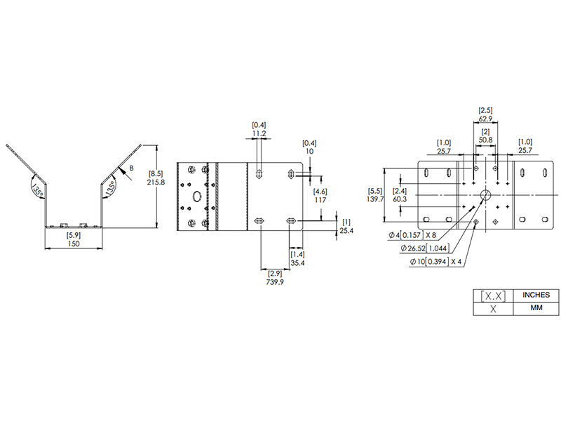
(Archiv) MNT-AD-CORNER
= KOD:309913 PKOD:14341 =Manufacturer: Avigilon Corporation Canada
Adaptér pro rohovou montáž panoramatických kamer
Technical list
| Kompatibilita | MNT-PEND-WALL, H3-BO-IR, H3-BO-JB |
| Hmotnost | 1,24 kg |
| Materiál | Hliník |
| Prostředí | Venkovní |
| Barva | Šedá |
Query / Inquiry
Dear customer
if you need advice please use our web form or call us. The phone number is: 272 770 148




