H4-MT-POLE1
= KOD:309838 PKOD:14000 =Âèðîáíèê: Avigilon Corporation Canada
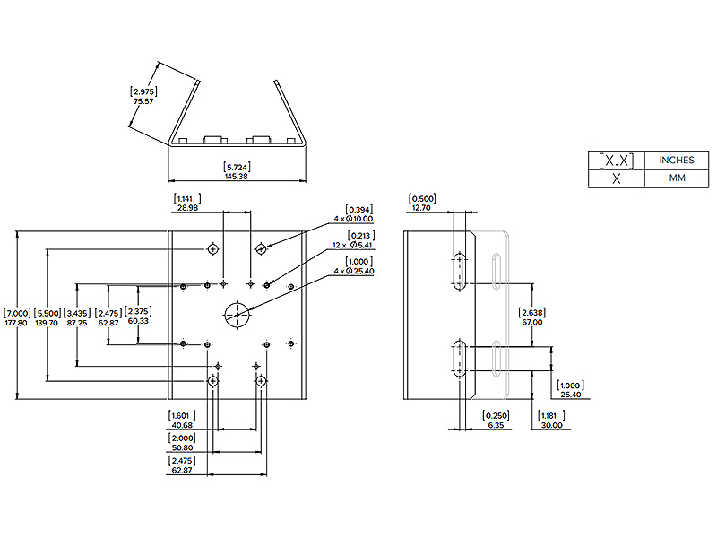
Adapter pro montaz na sloup
Òåõí³÷íèé ëèñò
| Kompatibilita | Adaptery: H4A-MT-WALL1, CM-MT-WALL1, H4-BO-JBOX1 |
| Kamery (bez adapteru): H4A-BO, H4SL-BO, H5A-BO, H5SL-BO, H4A-THC-BO | |
| Prumer sloupu | 152,4 – 508 mm |
| Hmotnost | 0,458 kg |
| Barva | RAL 9003 |
| Pribaleno | 2x kovove stahovaci pasky |
Ïèòàííÿ / Çàïèò
Äîðîãèé ê볺íò,
ÿêùî âàì ïîòð³áíà êîíñóëüòàö³ÿ ïî âèùåâêàçàíîìó ïóíêòó, çâÿæ³òüñÿ ç íàìè çà äîïîìîãîþ ôîðìè, â ðàç³ òåðì³íîâî¿ â³äïîâ³ä³ çà íîìåðîì òåëåôîíó 272 770 148















